(812) 332 53 46 (499) 322 44 03 (800) 333 45 39 звонок бесплатный
Временно не поставляется
Запросить аналоги

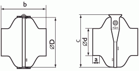
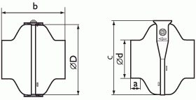
Вентилятор O.ERRE TURBO 160

Технические характеристики
Артикул VV7304
Производитель O.ERRE
Единица штука
Максимальный расход воздуха [м³/час] 610
Электропитание, В/Ф/Гц 230/~1/50
Потребляемая мощность [Вт] 90
Рабочий ток [А] 0.43
Частота вращения, об/мин 2500
Уровень шума (к окружению), дБ(А) 56
Максимальная температура перемещаемого воздуха (°C) 55
Класс защиты двигателя IPX4
Присоединительный размер 160
Масса [кг] 4.5
Описание

Канальные вентиляторы Turbo. Данные устройства обладают асинхронным мотором с наружным ротором и рабочим валом с загнутыми назад лопатками. Оболочка вентиляторов производятся из гальванизированной стали. Они обладают габаритами от ста до трехсот пятнадцати миллиметров и стыкуются с круглыми воздуховодами. Уровень защиты имеет обозначение IP X4, клеммной коробки – IP 54.

Данные устройства можно монтировать в различных положениях, согласно пожеланиям владельца или условиям эксплуатации. Управление скоростью производится от нуля до ста процентов при помощи электронного или пятиступенчатого регулятора. К одному такому устройству можно подсоединить больше одного вентилятора, если суммарный рабочий ток не выше номинального тока регулятора. Все двигатели обладают внутренним тепловым контактом. Дополнительно можно установить легко снимающиеся муфты, возвратный клапан, воздухофильтр, глушитель, канальный нагреватель, предохранительные решётки и так далее.

Запрещается использование вентиляторов во взрывоопасных местах и стыкование с дымоходами. Вентиляторы нельзя применять для транспортировки взрывчатых газов и пыли. Приборы разработаны для постоянной работы, требуется исключить их частый запуск и отключение. Необходимо чистить устройство раз в полгода при постоянной службе для избегания поломок.

Еще нет ни одного отзыва, будьте первым
Код защиты от роботов

Нажимая на кнопку, Вы даете согласие на обработку своих персональных данных. Политика конфиденциальности